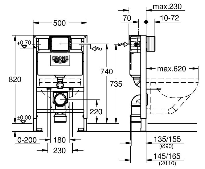
Инсталляция для подвесного унитаза 2 в 1, монтажная высота 0, 82м Grohe
- 01/04/2021 05:33
- Украина, Киев и область
- Прочее для дома
- Частные объявления - продам, предлагаю
Rapid SL - Первоклассная инсталляционная ситема, обладающая превоходніми функциями и свойствами. Технология GROHE QuickFix гарантирует простоту установки в сжатые сроки и беспрепятсвенное воплощение разнообразных проектов. В то же время, технология GROHE Whisper обеспечивает полную звукоизоляцию. Такое оборудование удовлетворит самых требовательных клиентов!
Инсталляционная ситема Grohe Rapid S (38948000) имеет:
1. монтажную высоту 0, 82м
2. Пневматический смывной клапан с тремя режимами
слива: 2-х объёмный, старт/стоп, или непрерывный
3. редуктор Ø 90/110 мм
4. смывной бачок 6 - 9 л:
5. управление смывом спереди и сверху
6. Подключение воды слева, справа и сзади
7. укороченная ревизионная шахта с защитным
кожухом
8. подключение воды DN 15
Наш сайт - santehmaster.ua
Максим
Покупайте безопасно
Новые объявления продавца
-
Канализационная Станция Sprut WCLIFT 250, 2
4 275 грн. -
Канализационная Станция Sprut WCLIFT 400/3
4 450 грн. -
Частотный Преобразователь Italtecnica Sirio
6 120 грн. -
Датчик Дождя Rain-Bird RSD-BEx (Для Полива)
1 190 грн.






